首页 网校 CIO班 关于我们
  • 首页
  • 热点
  • 人工智能
  • 大数据
  • 云计算
  • 移动应用
  • 数字政府
  • 物联网
  • 信息安全
  • CIO
  • 低空经济
  • 腾讯云学堂
  • IT业界
  • CIO班
  • 元宇宙
  • 更多
    • 区块链
    • 管理系统
    • 数字营销
    • 智慧医疗
    • 智慧城市
    • 智能制造
    • 金融科技
    • 智慧交通
    • 智慧教育
    • 智慧能源
    • 智慧旅游
    • 智慧地产
    • 创新转型
    • 人物访谈
    • 职业发展
    • 微讲座
    • 服务管理
    • 政策法规
  • 首页

  • 推荐

  • 人工智能

  • 大数据

  • 云计算

  • 移动应用

  • 数字政府

  • 物联网

  • 信息安全

  • CIO

  • 低空经济

  • 腾讯云学堂

  • IT业界

  • CIO班

    • CIO访谈
    • 学院活动
    • CIO班动态
    • CIO风采
  • 元宇宙

  • 基础设施

  • EA

热搜: 云计算 大数据 CIO班 CIO 互联网+ 物联网 电子政务
    服务型企业实现业务流程协同控制的建议

    从管理协同角度分析,流程管理的同标是是整个流程体系功能倍增,这是流程管理的最高目标。管理协同效应可以分为内部和外部两种情况......

    从管理协同角度分析,流程管理的同标是是整个流程体系功能倍增,这是流程管理的最高目标。管理协同效应可以

    关键词: 业务流程
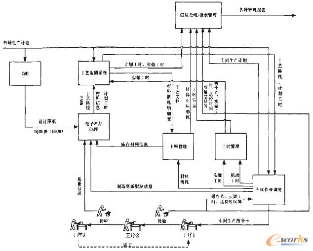
    MES在小批量电子产品生产管理中的应用

    在电子产品MES中,各相关生产单位的工作模式为:科研生产处在MES中完成所生产计划(生产任务单);工艺部门根据生产任务单在计算机辅助工艺过

    关键词: MES
    电子商务中网络安全问题的对策研究

    电子商务的网络安全问题不是纯粹的计算机安全问题,从企业的角度出发,应该建立整体的电子商务网络安全架构,结合安全管理以及具体的安全保护

    电子商务的网络安全问题不是纯粹的计算机安全问题,从企业的角度出发,应该建立整体的电子商务网络安全架构

    关键词: 电子商务
    十三种网络营销手段及特点

    互联网营销也称为网络营销,就是以国际互联网为基础,利用数字化的信息和网络媒体的交互性来辅助营销目标实现的一种新型的市场营销方式。互联

    互联网营销也称为网络营销,就是以国际互联网为基础,利用数字化的信息和网络媒体的交互性来辅助营销目标实

    关键词: 网络营销
    浅论权变视角的人力资源管理创新

    人力资源管理创新是与企业战略相匹配的一种探索和创新,其以战略人力资源管理为其主要特征。而战略人力资源管理源自于对企业核心竞争能力的研

    人力资源管理创新是与企业战略相匹配的一种探索和创新,其以战略人力资源管理为其主要特征。而战略人力资源

    关键词: 人力资源
    京东价格大战 电商CRM数据有真相

    京东自成立以来,一直是以其铺天盖地的广告效应和价格迅速在电商全内圈地圈钱,而且以不计成本的烧钱逼迫竞争对手站在同一起跑线,第一波的价

    京东自成立以来,一直是以其铺天盖地的广告效应和价格迅速在电商全内圈地圈钱,而且以不计成本的烧钱逼迫竞

    关键词: 电商 CRM 京东
    看清云中CRM的“本”与“末”

    CRM在经历科技和时代的变革中始终保持着旺盛的生命力,与其不断地推陈出新不可分割,有专家指出,在当前,CRM经历了若干年的发展,已经开始从

    CRM在经历科技和时代的变革中始终保持着旺盛的生命力,与其不断地推陈出新不可分割,有专家指出,在当前,C

    关键词: CRM 云计算
    汽车供应链管理之协同篇

    跨国汽车公司的竞争方式也由过去的精细化管理(如精益生产方式/实施ERP/MES),向产业链和价值链的整合与再配置转变,而其操作必然以供应链为

    跨国汽车公司的竞争方式也由过去的精细化管理(如精益生产方式/实施ERP/MES),向产业链和价值链的整合与再

    关键词: 供应链
    解析:CRM云技术架构

    实际上,很多用户对于CRM并不陌生,早在2000年的时候,有一些企业就已经开始尝试CRM系统。在很多人眼中,CRM就是一套C/S或者B/S的应用系统。

    实际上,很多用户对于CRM并不陌生,早在2000年的时候,有一些企业就已经开始尝试CRM系统。在很多人眼中,CR

    关键词: CRM 云计算
    CRM系统自身发展的问题

    严格说来,当时的CRM还并不能称之为一个完善的客户关系管理系统,如果非要下一个定义,笔者认为那个时期的CRM系统仅仅是一个“订单管理系统”

    严格说来,当时的CRM还并不能称之为一个完善的客户关系管理系统,如果非要下一个定义,笔者认为那个时期的C

    关键词: CRM
17516条 上一页 1 316 317 318 319 320 321 322 323 324 1752 下一页

最近更新

大咖云集 | “智能风控 新质发展”2025
大咖云集 | “智能风控 新质
AI重塑零售新生态 | 首届未来零售创新峰
AI重塑零售新生态 | 首届未来
基于Nutanix云平台的Dell PowerFlex全面上市
基于Nutanix云平台的Dell Power
Cloudera助力香港医管局构建数据驱动型医疗
Cloudera助力香港医管局构建数据
聚焦算网融合与数据中心创新 2025智算行业
聚焦算网融合与数据中心创新 20
算力狂潮下的“冷思考”:解码服务器赛道“
算力狂潮下的“冷思考”:解码服
关于开展第十届“创客中国”智能机器人中小
关于开展第十届“创客中国”智能
IDRR爱迪热工携手国家级科研所,以产品彰显
IDRR爱迪热工携手国家级科研所,
设备冗余过高?路由策略咋规划?90%中小企
设备冗余过高?路由策略咋规划?
医疗信息化江湖风云再起!金仓数据库亮相CHI
医疗信息化江湖风云再起!金仓数

热点文章

大数据的四个来源
大数据的四个来源
DIKW:数据、信息、知识、智慧的金字塔层次
DIKW:数据、信息、知识、智慧的
建设数据仓库的八个步骤
建设数据仓库的八个步骤
了解五大主流的DBA认证考试
了解五大主流的DBA认证考试
数据分析师,看过这个故事,你还有什么理由
数据分析师,看过这个故事,你还
浅谈3DVIA Composer的功能与特点
浅谈3DVIA Composer的功能与特点
几种典型的BI的系统架构分析
几种典型的BI的系统架构分析
当今世界最牛的25位顶尖大数据科学家
当今世界最牛的25位顶尖大数据科
专访数美时代唐会军:大数据创业 发现数据
专访数美时代唐会军:大数据创业
传统数据和大数据的区别
传统数据和大数据的区别
友情链接
  • 腾讯网
  • CSDN
  • IT时代周刊
  • 漏洞银行
  • C114通信网
  • 网易科技
  • 万山数据
  • 至顶网
  • 51CTO
  • 和讯科技
  • CIO智库网
  • 赛迪网
  • 企业网
  • 飞象网
  • 凤凰网科技
  • 驱动中国
  • E-works
  • 中国外包网
  • 中国商业电讯
  • 电脑商情网
  • 项目管理者联盟
  • 电脑之家
  • 更多>>
京ICP备16057460号-1
移动客户端
CIO时代iphone版 | CIO时代Android版
关注我们
Copyright © 2003-2021 CIO时代网版权所有
关于我们| 联系我们 | 版权声明| 友情链接| 网站地图